SM3V 3-Valve Manifold Valves
Price range: $231.84 through $272.16
See individual part details below
Access our 3-valve manifold valves, designed for advanced fluid control in complex systems. These valves offer leak-proof isolation, equalization, and venting functionality while ensuring exceptional durability under high pressure. Built for industrial reliability, they deliver precise performance in demanding applications. Browse our catalog for tailored solutions.
Looking for Swagelok® alternatives? Enter a part number in our search to find compatible alternatives.
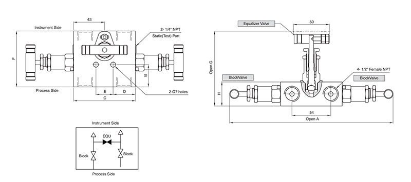
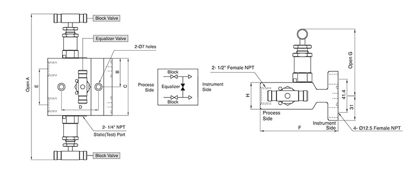
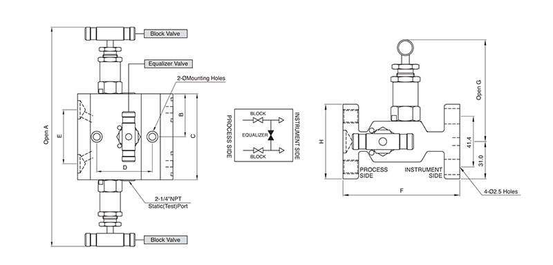
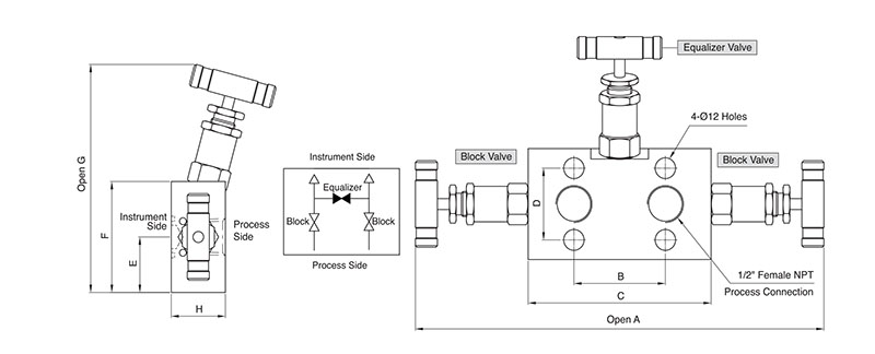
2-, 3-, and 5-valves Instrument manifolds valves Pressure Rating up to 6000 psig (413 bar) at 100 ºF(37 ºC) Temperature up to 1200 ºF (648 ºC) with optional Grafoil packing All 316 stainless steel construction with PTFE packing
| End Connections | Female National Pipe Thread (FNPT)Process Type |
|---|---|
| End Connections Process Size | 1/2mm |
| Inch/Metric | Inch |
| Orifice | 0.250in, 6.4mm |
| Superlok Part Type | Manifold Valve |






